![]() |
|||
|
|
WELCOME
TO FAME VIRTUAL INFORMATION CENTER
|
|
|
|
FAME
|
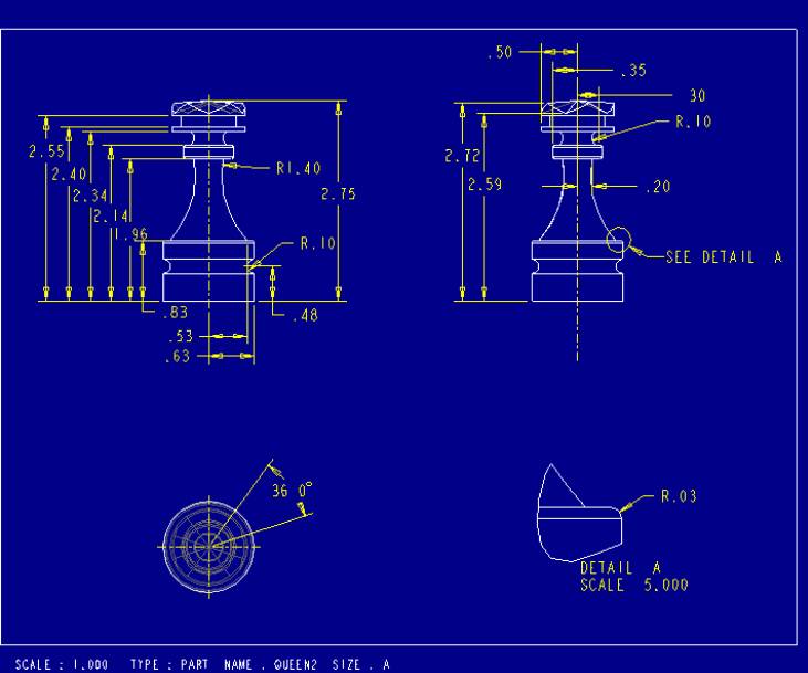
Queen - 2D Drawings
|
||
|
CIMLAB
|
|||
|
The
Harold & Inge Marcus Department of
Industrial & Manufacturing Engineering 310 Leonhard Building University Park, PA 16802 |
|||
| You are now at FAME>CIMLAB>Products>Chess Set>Queen 2D Drawings | |||